Щит АВР 25А 2 ввода IP54 с секционным автоматом Schneider Electric
– электронное устройство, автоматически переключающее питание нагрузки с основной линии на резерв, если на ней возникли проблемы. Тем самым устройство АВР защищает свой сегмент электросети от проблем с питанием.
Эти устройства очень востребованы, так как многие потребители хотят застраховаться от перебоев с подачей электроэнергии. Но главная проблема здесь – это наличие самого резервного источника, и способен ли он принять на себя всю нагрузку от данного сегмента сети.
- При наличии напряжения на линии резерва переключение в современных моделях выполняется за очень короткое время, потребители этого не замечают. Когда напряжение на основной линии восстанавливается, АВР может так же незаметно переключиться на неё, или остаться на резерве. Это самый простой вариант.
- Всё складывается иначе, если единственный источник резервного питания – это запускаемый электрогенератор. Время его запуска может достигать нескольких минут.
В этом случае АВР должно иметь собственное независимое питание от аккумуляторов. При отказе основной линии устройство АВР должно дать сигнал на автозапуск генератора, дождаться запуска, еще подождать, пока генератор выйдет на рабочий режим и подать напряжение потребителям, которые всё это время были без электроэнергии.
Здесь есть вариант – защитить весь сегмент или его самые важные части локальными аккумуляторными источниками бесперебойного питания (ИБП), способными взять на себя нагрузку до включения резерва (или до безопасного штатного завершения работы, выключения компьютеров, например). Тогда отключение энергии тоже может пройти незамеченным потребителями.
- Распространенный случай – когда резерв (сеть, генератор или ИБП) имеет ограничения по мощности и не может обеспечить работу всего сегмента. В этом случае должно быть предусмотрено разделение потребителей на главных и второстепенных. При переходе на резерв второстепенные автоматически отключаются, и подключаются обратно только при возвращении главного питания.
Всё это устройство АВР должно быть способно делать не только автоматически, но и в ручном режиме. Оператор при этом должен получать достаточно информации от индикаторов устройства – что подключено, какие напряжения, что с фазами.

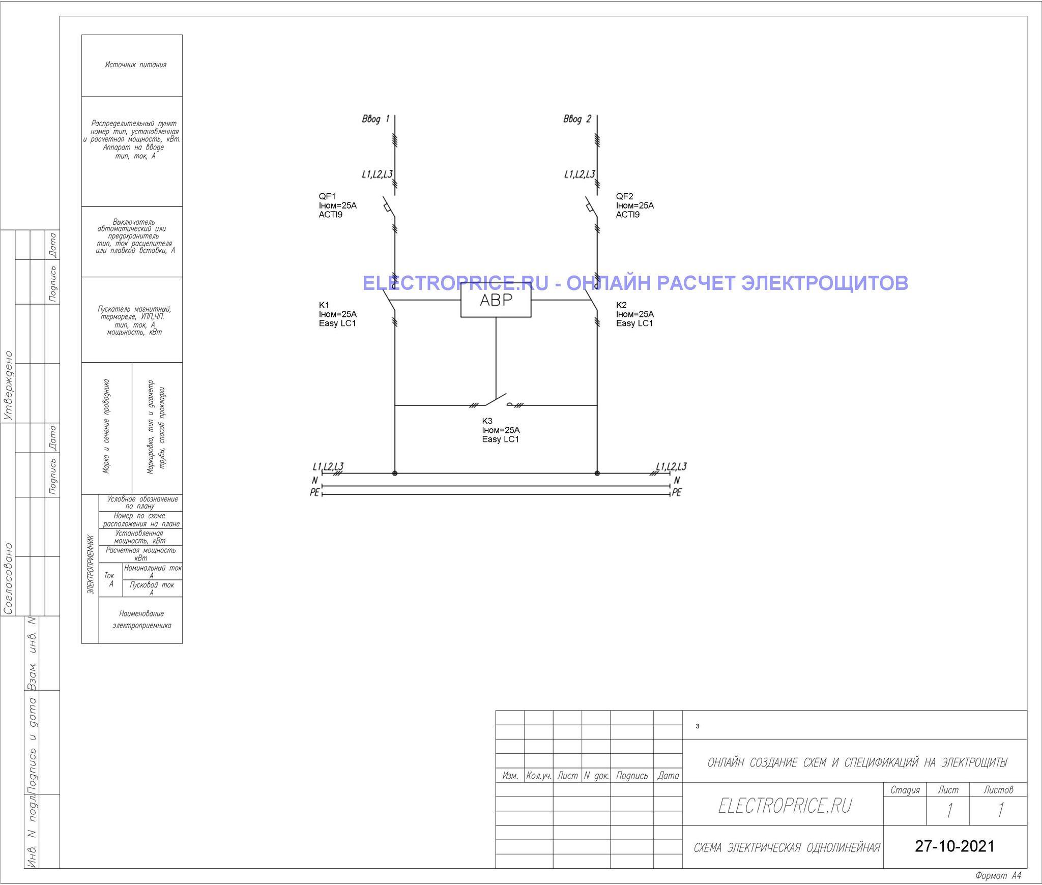
АВР может быть как отдельным устройством (шкаф), так и быть частью других, например ВРУ может быть с АВР. Схема АВР может быть как на 2 ввода, так и на большее их количество.
ШАВР от компании «Снаб-Электро»
Уже много лет наша компания успешно занимается разработкой и производством в СПБ электрощитового оборудования, в том числе ШАВР. На складе есть готовые устройства на разную переключаемую мощность и с разным функционалом. Мы можем подобрать подходящую вам модель, если нужно, модернизировать её под ваши требования.
Проектирование, монтаж и сборка ШАВР
Это как раз то, чем занимается компания «Снаб-Электро». У нас можно купить готовые стандартные щиты ШАВР в СПб, заказать нестандартные по вашему проекту или создать проект с нуля. Благодаря собственному производству и сборке ШАВР, ШУН, ШУЗ, ШПЧ, ГРЩ, ВРУ, силовых шкафов и других видов НКУ мы можем предложить клиентам в Санкт-Петербурге очень привлекательные цены. Кроме того, наши специалисты проводят подключение ШАВР и дальнейшее регулярное техническое обслуживание и ремонт. Наш опыт – ваше преимущество.
